
PSIMとはパワーエレクトロニクス回路に適した計算機シミュレーターの1つです!PSIMは,電力用半導体素子や電力用機器をモデル化した,回路図ベースのシミュレーションソフトウェアです。PSIMは,主回路や制御回路を入力するSIMCADと計算結果の表示および解析を行うSIMVIEWの2つから構成されており,容易にパワーエレクトロニクス回路を作成し,動作確認が出来ます。
PSIMは大学の研究室や企業でも最も利用されているシミュレーションソフトです!!
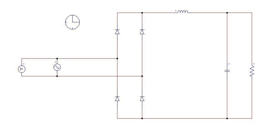
添付ファイルに私がシミュレーションした整流回路とそのシミュレーション結果を示します。
小山純,根葉保彦,花本剛士,山田洋明:「パワーエレクトロニクス入門」,2018年,朝倉書店,p.139
